Заказать звонок
Ваш регион:
Москва
Перейти на старый сайт

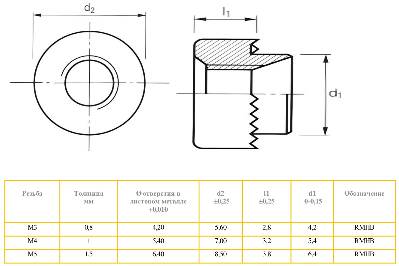
RMHB-M3-20 GS Гайка развальцовочная резьбовая нержавеющая сталь

RMHB-M3-20 GS Гайка развальцовочная резьбовая нержавеющая сталь

RMHB-M3-14 gz RMHB-M3-14 gz
RMHB-M3-20 gz / GRMHB-M3-20* RMHB-M3-20 gz / GRMHB-M3-20*
RMHB-M4-18 gz RMHB-M4-18 gz
RHB-M3-20 gz RHB-M3-20 gz